Расход саморезов на 1м2 профлиста для кровли и сколько листов покрытия потребуется для крыши
Кровля любого дома должна быть надежной. Прочно защищать строение от снега, ветра и дождя.
Требовать меньше энергии и средств на ее возведение. Соответствовать эстетическим потребностям хозяина.
Вот почему многие предпочитают профлист (металлический профилированный лист), как оптимальный вариант при возведении крыши.
Его достоинства:
- полимерная защита хранит его от коррозии;
- он равнодушен к климатическим сюрпризам;
- не токсичен;
- устойчив к воздействию огня;
- разнообразен в цвете и типах;
- доступен по цене.
Является ли способ крепления профнастила саморезами еще одним его преимуществом? — Да, в этом нет ничего сложного. Главное знать, что и как нужно делать.
Технические характеристики профлиста тут.
Содержание статьи
Требования к крепежным элементам
Крепление профлиста на кровле осуществляется кровельными саморезами. Большая площадь листа, жесткость металла и незначительный вес создают нагрузку на крепежные элементы. От надежности закрепления зависит и устойчивость крыши при сильных порывах ветра. Учитывается вид каркаса: он может быть металлическим или деревянным.
- Саморезы, которые крепятся к металлической поверхности, изготавливаются с мелкой резьбой и наконечником, как у сверла. Обладая высокой прочностью, они легко ввинчиваются в металлическую поверхность, не требуя отверстий.
- Саморезы, предназначенные для деревянных каркасов, очень похожи на простые шурупы, только с большим диаметром головки.
Их прочная сталь также способна пробить кровельный профлист без высверливания.
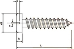
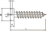
Крепежные винты бывают с разной головкой: цилиндрической, шестигранной, полукруглой и сферической. Различаются и шлицы. Они могут быть в виде звездочки или креста. Фигурными или прямыми.

Устройство самореза
Для монтажа кровли из профнастила больше всего подходят саморезы со специальной герметизирующей прокладкой из искусственного каучука (ЕРDM). Контакт с металлической поверхностью настолько плотный, что устраняет риск проникновения воды через место соединения. Этому способствует и специальный выступ по краю шестигранника. Он усиливает прочность головки и добавляет надежности уплотнению.
Саморезы для кровли из профнастила легко подобрать и по цвету, так как они выпускаются с разным декоративным покрытием, которое обладает еще и защитным свойством.
ОБРАТИТЕ ВНИМАНИЕ!
Выбирая крепежные элементы, выбирайте качество, а не цену. Ведь им предстоит выдержать значительные нагрузки. Сталь должна быть прочной, а наконечник должен быть правильно заточен. Не добротный дешевый саморез для кровли из профлиста может сломаться и испортить профиль.
О качестве крепежных изделий говорит наличие маркировки. Стоит выбирать саморезы с эластичной толстой (2 мм) неопреновой прокладкой. Покрытие из цинка должно быть в пределах 12 мкм. Тогда они прослужат долго и не заржавеют. Можно проверить качество и самим: пассатижами сдавить шайбу с EPDM и проверить целостность лакокрасочного покрытия. Прокладка не должна сойти с места на металлической шайбе.

Рекомендуем саморезы с прокладкой ЕРDM
Как правильно рассчитать расход саморезов на 1м2 профлиста для кровли
Особенности крепления профнастила

Как правильно закручивать саморез
Сколько саморезов на 1м2 профлиста для кровли
Расчет делают до начала монтажных работ. Для закрепления квадратного метра профлиста требуется 7 – 9 саморезов. Это число умножают на количество металлических листов, которые приготовлены для закрытия всей поверхности кровли. Однако покупать нужно с расчетом, что винты могут поломаться или будут утеряны.
Какая обрешетка нужна под кровельный профлист
Обрешетка, на которую монтируется профлист, может быть
металлической или деревянной. Все зависит от назначения строения. Для производственных или хозяйственных построек ее делают из металла. Уклон крыши здесь минимальный, нагрузка значительная, поэтому каркас должен быть более устойчивым.
В жилых домах с крутым уклоном крыши под обрешетку используют деревянные заготовки.
В связи с предполагаемой нагрузкой и углом наклона крыши, обрешетка имеет разный шаг.
ВАЖНО!
Расстояние между ребрами досок в 30 – 50 см показано, если угол наклона составляет 15 градусов и больше.
При наклоне кровли меньше 15 градусов шаг обрешетки зависит от типа профлиста.
- Профнастил с маркировкой C20 требует сплошной обрешетки. Нахлест соседних листов составляет 20 см. Это примерно длина одной волны.
- Профнастил C35 стелют на каркас с шагом 30 см при том же нахлесте.
- Профпласт С44 монтируют на обрешетку с шагом 50 см.
Угол в 15 градусов предусматривает шаг в 30 – 40 см с незначительным нахлестом в 10 – 15 см.
Крепление профлиста при помощи саморезов требует, чтобы крепежные элементы были в два раза длиннее обрешеточной доски. Если брус шириной 75 мм, то винт должен быть 150 мм.

Типы обрешетки под профлист
При предполагаемых значительных нагрузках каркас монтируется в два слоя. Нижняя обрешетка параллельная коньку делается с разряженным шагом в 50 – 70 см.
Как правильно крепить кровельный профлист к обрешетке
При грамотном выборе типа материала и крепежных элементов монтаж профнастила на крыше – процесс не сложный. Важно соблюдать правила крепления и укладки кровельного покрытия.
Крепление профлиста саморезами на крыше производится в следующем порядке:
- Перед началом работ деревянная основа обрабатывается антисептическим средством. В дальнейшем это спасет деревянный каркас от разрушения и продлит срок службы крыши.
- Надежность и прочность кровельной поверхности будет зависеть от плотности прилегания металлических листов к каркасу
. Защита строения от влияния влаги, ветра, перепадов температуры — одна из главных функций крыши. - Итак, как крепить профлист на крыше? Металл крепится к обрешетке в нижней часть гофры. Нахлест листьев друг на друга в одном ряду составляет одну, две волны. Между собой ряды соединяются с напуском в 1 – 2 см.
- Крепление верхней и нижней части профлиста к обрешетке осуществляется в каждую волну. Крепеж боковых частей — через раз.
- Состыковка профилированных листов между собой производится заклепками при помощи ручных пистолетов. Чтобы шайба самореза не перекосилась, ввинчивать его стоит строго вертикально к поверхности листа. Так вы обеспечите плотное прилегание и герметичность. Чем длиннее шуруп, тем вероятнее риск перекоса.
- Соединение элементов конька и профнастила через его выступающую часть создаст высокую плотность прилегания. Если уклон крыши не столь пологий, ставят дополнительные прокладки для уплотнения, непосредственно под коньком в дно изгиба волны. При сильном ливне с ветром вода не зальется под конек. Читайте также про монтаж доборных элементов.
- Чтобы сэкономить время на монтаже и не допустить неровной укладки листов, их устанавливают блоками по три четыре штуки.
- Профилированный лист важно правильно нарезать. Лучше сделать это при помощи электрических ножниц. Подойдут и ручные. Если надо сделать надрезы по косой, используют электролобзик.
- Чтобы места разрезов не подвергались коррозии, их обрабатывают антикоррозийным средством.
- Мастер должен соблюдать осторожность, находясь на крыше, случайно не повредить поверхность настила. Через 2 месяца необходимо подтянуть резьбу саморезов. При монтаже крыши профлисты могли сместиться и ослабить плотность крепления.

Схема крепления профлиста

Как правильно вкручивать саморез
Расход профлиста на 1 м2 кровли: коэффициент и калькулятор расчета
ОБРАТИТЕ ВНИМАНИЕ!
Рассчитать количество профлиста для крыши вы можете с помощью нашего онлайн калькулятора.Пример расчета для крыши сложной формы
Скаты сложных крыш, типа вальмовой и мансардной, сделаны в форме трапеций и треугольников. Расчет количества необходимого материала начинается с детальной раскладки листов покрытия на чертеже. Уточнив все нахлесты и свесы, определяют всю площадь. Точный расчет даст возможность минимизировать отходы.
В основу берется длина листа. В зависимости от типа профпласта, она варьируется от 500 мм до 6500 мм.
Количество крепежных элементов подсчитывается следующим образом: Если на один квадратный метр нужно 9 саморезов, то достаточно 9 умножить на площадь покрытия.
Можно подсчитать и сумму, в которую обойдется настил кровли. Количество профлистов умножают на цену материала и стоимость доставки.
Более сложные расчеты лучше доверить специалистам.
Полезное видео
Предлагаем вам посмотреть видео инструкцию по креплению профлиста к оберешетке:
Вконтакте
Google+
Одноклассники
на лист и на 1м2
Количество саморезов для крепления профлиста зависит, в первую очередь, от того, для чего именно он применяется. Он может укладываться на крышу, использоваться в качестве материала для отделки фасада, монтироваться на забор или вовсе — крепиться на каркас при изготовлении гаража, сарая и других построек. В каждом из перечисленных случаев расход саморезов на профнастил будет разным.
Кроме того, особые условия эксплуатации — например, сильные ветра или большой снеговой покров — также сказываются на расходе саморезов в сторону увеличения их количества. Так, если вы устанавливаете забор из профлиста рядом с морем, где часто бывают штормовые ветра, то вам может понадобиться крепить листы в низ каждой волны для достижения большей надежности.
Сложнее всего рассчитать, сколько саморезов нужно на профлист при креплении его на крышу. Поэтому именно такому варианту будет посвящена большая часть данной статьи.
Оглавление статьи (нажмите, чтобы открыть)
Сколько саморезов на лист профнастила приходиться при креплении его на крышу?
Монтаж профнастила начинается со стороны карнизного свеса. Сначала укладывается первый левый лист нижнего ряда, затем второй с нахлестом в одну волну. После выравнивания листов по краю карниза, профиль крепится к нижнему брусу обрешетки в каждую волну. В месте нахлеста листы соединяются между собой с помощью заклепок.
После монтажа первых двух нижних листов с нахлестом в 200 мм, устанавливается левый лист второго ряда. В месте нахлеста, нижний и верхний листы профнастила крепятся к обрешетке в каждую волну. В промежутке каждый лист профнастила крепится в шахматном порядке через 1-2 волны. Для надежного крепления, расстояние между кровельными саморезами не должно быть больше 500 мм.
Исходя из описанной выше технологии крепления профлиста и определяют, сколько саморезов на профнастил необходимо для надежной укладки кровельного покрытия.
Для этого нужно выполнить простой расчет саморезов для профнастила. Если мы укладываем лист длиной 8,0 м и шириной 1,1 м с шагом крепления к обрешетке 500 мм, то нам потребуется 10 саморезов для крепления профиля в верхней и нижней частях, а также еще 8 штук для крепления средней части профнастила. Итого расход саморезов на профлист составит 18 шт. Это число необходимо умножить на количество листов на кровле и мы получим число саморезов, необходимых для непосредственного закрепления профнастила.
Количество саморезов на профлист может отличаться в зависимости длины и ширины листа. Кроме того, при больших уклонах рекомендуется уменьшать шаг крепления, что тоже увеличивает расход саморезов на 1м2 профлиста. При креплении профнастила, наибольшее внимание нужно уделять стыкам кровельного покрытия, именно там вероятность протечки наиболее высока.
На торцах скатной крыши, в местах фронтонных свесов, профилированный лист кровельного покрытия должен быть закреплен к каждому бруску обрешетки. Это тоже увеличивает количество саморезов на 1м2 профлиста.
Таким образом, такое понятие, как норма расхода саморезов на профлист вряд ли можно считать полностью корректным, если речь идет о монтаже кровли. Скорее, можно говорить о какой-то усредненной цифре, которая позволяет выполнить приблизительный расчет саморезов для профлиста при заказе материалов для монтажа кровельного покрытия. При этом необходимо заказывать на 5-10% больше, чем рассчитано, поскольку всегда есть вероятность брака, непредвиденных расходов, потери и слома саморезов.
Расчет саморезов для крепления профнастила на забор
Количество саморезов для крепления профлиста на забор зависит, в первую очередь, от количества лаг. Как правило, один лист закрепляется 3 саморезами на лаг. То есть, если при двух лагах необходимо 6 штук, при трех — 9.
Как и во всех остальных случаях, листы в обязательном порядке закрепляются саморезами в местах нахлестов, и еще одним — примерно посередине. Если ограждение изготовлено в зоне больших ветровых нагрузок, то тогда количество саморезов для крепления профлиста резко увеличивается — вплоть до ввинчивания их в каждую волну.
Однако в большинстве случаев для расчета примерного числа саморезов достаточно использовать простую формулу: 3·L·n, где L — количество лаг, а n — количество листов профнастила.
Расход саморезов на профлист на фасадах и постройках
При монтаже профнастила на фасад здания, его обычно крепят на специальный каркас через волну, при этом, как и во всех предыдущих случаях, обязательны крепления в местах нахлестов. Расстояние между саморезами по длине листа составляет, в зависимости от условий эксплуатации здания, от 0,5 до 1 метра.
Таким образом, лист, длиной 2 метра необходимо крепить тремя рядами саморезов, которые расположены через волну в шахматном порядке. В ряде случаев, когда речь идет о регионе с высокой ветровой нагрузкой, возможно крепление в каждую волну.
Для того чтобы посчитать общее количество саморезов, нужно рассчитать, сколько саморезов на лист профнастила необходимо затратить на крепление, а затем полученное значение умножить на количество листов.
В случае с изготовлением различных построек из профнастила, листы уже крепятся в каждую волну, при этом расстояние между рядами саморезов — около метра.
Сколько саморезов на лист профнастила — расчет по весу и на 1 м2 покрытия
Принято считать, что ориентировочная потребность кровельных саморезов на 1 м2 кровельного покрытия составляет 8-9 шт. Исходя из этого, легко посчитать, сколько саморезов на профлист потребуется заказать для монтажа всего покрытия крыши.
Для этого от длины листа профнастила отнимаем величину поперечного нахлеста, равную 150-200 мм. Полученную цифру умножаем на полезную (рабочую) ширину листа. В результате получаем полезную площадь листа профнастила. После этого умножаем результат на 9 и получаем ориентировочное количество необходимых кровельных саморезов на 1 м2.
Общее количество саморезов определяем исходя из того, сколько саморезов на 1м2 профлиста нам нужно и общей площади кровли. Приведенный приблизительный расчет учитывает и саморезы, необходимые для крепления различных элементов примыканий, ветровых и карнизных планок, фартуков вокруг вентиляционных и дымовых труб и снегозадержателей.
Приобретая саморезы, совсем не обязательно отсчитывать поштучно все необходимое вам количество. Для каждого размера самореза точно известен его вес. Так, например, одна тысяча штук кровельных саморезов Ø4,8 мм и длиной 25 мм весит 3,5 кг, а тысяча саморезов Ø6,3 мм и длиной 152 мм — 45 кг. Поэтому заводы-изготовители расфасовывают мелкие кровельные саморезы в упаковки по 100, 200, 250, 500, 1000, 2000 и 6000 штук, а максимальное количество больших саморезов в упаковке составляет 1000 шт.
Полезная статья? Сохраните ее в соцсетях, чтобы не потерять ссылку!
Коллектив oprofnastile.ru
Читайте по теме:
Расход саморезов на профнастил 1 м2: расчет
При монтаже профнастила у неопытных людей может возникнуть целый ряд вопросов: как крепить, какой расход саморезов на 1 м2, как грамотно их выбрать. Постараемся ответить на данные вопросы.
Расход саморезов зависит от задач, которые поставлены перед вами, а как известно профилированный лист применяется для выполнения различных задач. Например, его используют для кровли, для отделки фасада здания, в качестве заградительного элемента и других целей. Во всех вышеперечисленных вариантах расход саморезов на профнастил будет не одинаков.
Климатические условия также влияют на расход. В районах с большими ветрами, серьезными осадками требуется более надежное крепление материала, следовательно, количество крепёжных изделий возрастет. Если вы проживаете в подобных районах, то не обойтись от крепления саморезов в низ каждой волны.
Обывателю тяжело понять, сколько саморезов на профлист будет израсходовано для крепления кровельного материала. Постараемся раскрыть эту тему подобнее.
Сколько саморезов для крепления профлиста необходимо для кровли?

Установка профилированного материала начинается со стороны козырька, который является продолжением крыши. Мы уже говорили о креплении профнастила на крыше саморезами, почитайте об этом. Первый лист устанавливается в крайний ряд, соседний лист устанавливается внахлест на 20 см. Все листы кладут идеально ровно, и только после этого начинают применять крепёжные изделия с помощью шурупоперта, которые вкручиваются на деревянную обрешетку во все волны. Для более надежного крепежа применяются заклепки, в местах нахлеста.

После монтажа первых двух листов нижнего ряда начинают крепить первый лист второго ряда с левой стороны. Верхние и нижние листы крепятся в каждую волну (места нахлеста), промежуточные листы крепятся в разнобой (шахматный порядок), это позволит избежать перерасхода крепежных изделий. Однако нужно помнить, что саморезы не должны располагаться более 50 см друг от друга, особенно, если крыша имеет серьезный угол наклона.
Вышеприведенный материал позволит узнать о том, сколько саморезов на профнастил требуется.
Приведем пример: если у нас есть листы длинной 8 метров и шириной 110 см, с шагом обрешетки 50 см, то в нижней и верхней частях будут использованы 10 крепежных элементов, и еще 8 штук будет использовано посередине. Получается, что на каждый лист уйдет 18 саморезов. Теперь их количество умножаем на количество листов и получаем расход саморезов профлиста для кровли.
Не забывайте о том, что листы могут быть разных размеров, а также то, что угол наклона крыши может быть разным. Чем круче крыша, тем плотнее крепежные изделия. В этом случае расход саморезов на 1м2 профлиста будет увеличен, но без этого никуда.

Кроме этого на скатных крышах, а также на фронтальных свесах, кровельный материал должен быть прикреплен к каждому бруску деревянной обрешетки. Это, несомненно, отразится на расходе саморезов на профлист кровли.
Именно поэтому, понятие «норма саморезов на 1м2 профлиста» является не точным, т.к. все зависит от конкретных случаев, приведенных выше. Да, эти понятия можно усреднить, но в этом случае нельзя будет произвести точный расчет. Саморезы – это расходный материал, поэтому заказывайте их на 10% больше.
Расчет саморезов для профилированных листов на забор

Число лаг – это основной показатель будущего расхода саморезов для крепления профлиста. Если на заборе две лаги, то расход будет на каждую по 3 самореза. При большом кол-ве лаг будет возрастать число крепежных элементов.
Места прилегания листов должны быть закреплены. Если климатические условия оставляют желать лучшего, то потребуется значительно увеличить количество крепежных мест.
Довольно простая формула расчет позволит быстро посчитать расход: 3 (кол-во саморезов на лагу) умножить на количество лаг и на число листов. Приведем пример: у вас 2 лаги и 10 листов – 3*2*10=60.
Расчет саморезов для профилированных листов на постройки

В местах нахлестов материал крепится в каждой волне, в любых других местах – через волну. Расстояние между крепежными элементами может доходить до 1 метра. Все зависит от специфики строения и, конечно, климатических условий. В районах с сильным ветром рекомендуем крепить материал в каждую волну.
Для подсчета общего числа крепежных изделий, достаточно выяснить, требуемое количество саморезов на один лист и умножить на общее количество профилированного материала.
Если брать среднестатистические показатели, то уходит 6-9 штук на 1 м2
Советуем почитать:
Расход саморезов на лист и 1м2 профнастила: количество, расчет, вес
Профнастил – это прочный и долговечный материал на основе стального листа. Такое изделие применяется для финишного покрытия кровельных систем, для создания ограждений и заборов, монтажа небольших хозяйственных построек, для отделки стен и решения многих других хозяйственных и строительных задач. Конечно, наибольшую популярность материал завоевал именно, как кровельное покрытие. Это связано с его высокими эксплуатационными качествами, ведь при соблюдении технологии монтажа, профилированные листы надежно защитят строение от негативных погодных факторов в течение довольно долгого срока и выдержат высокие нагрузки в зимний период. Кроме того, покрытие легко укладывать даже, не имея большого опыта в кровельных работах и не обладая профессиональным набором инструментов. Также можно отметить широкое дизайнерское разнообразие, которое касается не только выбора расцветки материала, но и имеющегося профиля листов. А последний фактор, который наверняка повышает популярность профнастила среди потребителей – это его низкая стоимость.
Выполняя монтаж кровли собственными руками, именно такие качества становятся решающими при выборе в качестве покрытия профилированных листов. При этом, зачастую, приобретая материал, основное внимание уделяется лишь качеству настила. Однако, такой подход может привести к тому, что в самое ближайшее время изделия начнут ржаветь и отваливаться от обрешетки под профлист. Виной такому поведению материала служат низкопробные комплектующие, особенно это относится к фиксирующим элементам, то есть заклепкам или саморезам. Важно не просто купить крепежи с отменными характеристиками, но и знать, как рассчитать требуемое количество элементов. Чтобы узнать расход саморезов на профнастил, следует получить представление о том, от чего может изменяться требуемое количество изделий.
Особенности крепления профнастила
Далеко не во всех условиях количество саморезов для фиксации профилированных листов к кровельной обрешетке будут одинаковыми. Наиболее важное значение для определения этого параметра оказывают такие факторы, как:
- сила ветра, которую можно определить по таблице ветровых нагрузок в конкретном регионе;
- величина снежного покрова, также легко найти значение для определенной местности в специальных таблицах.
Чем больше каждый из параметров, тем больше будет расход саморезов на 1м2 профлиста. Этим правилом не стоит пренебрегать, так как в случае неправильно произведенного расчета, кровля не сможет выдержать оказываемые на нее нагрузки и в лучшем случае произойдет ее деформация, а в худшем – настил будет сорван с кровельного пирога и всю монтажную работу придется начинать заново. Чтобы понять сколько именно требуется саморезов для крепления, стоит рассмотреть схему монтажа. Так как профнастил производится на основе рулонной стали, то его длина может варьироваться в пределах от 40 см до 14,5 м. То есть потребители могут использовать листы, равные по длине высоте ската. В этом случае потребуется укладывать лишь один ряд материала.
Однако, при самостоятельном монтаже проще работать с менее длинными листами, в связи с чем укладка будет производится в 2-3 ряда. Процедура начинается с карнизного свеса в левом углу. То есть укладывается первый лист в нижнем ряду, а на него сверху монтируется второй. При этом важно делать нахлест, как минимум в одну волну. Конкретное значение зависит от угла наклона кровли:
- от 5-10 градусов размер нахлеста 2 волны;
- при наклоне более 10 градусов – нахлест 1 волна.
Далее уложенный профнастил выравнивается по линии карниза и фиксируется в самую нижнюю планку обрешетки в каждую волну, а между собой листы соединяются специальными заклепками. Следующим устанавливается лист второго ряда также с левой стороны. Профнастил укладывается как с продольным, так и с поперечным нахлестом. Конкретная величина нахлеста также будет зависеть от угла наклона скатов:
- наклон 5-10 градусов – нахлест 30 см;
- наклон 10-15 градусов – нахлест 20 см;
- наклон 15-30 градусов – нахлест 17 см;
- наклон более 30 градусов – нахлест 10-15 см.
В местах перекрытия листов требуется устанавливать фиксирующие элементы в каждую волну. По основной части листа саморезы вкручиваются через 1-2 волны в шахматном порядке, при этом расстояние между ними не должно превышать 50 см. Исходя из этого можно сделать вывод, что количество саморезов на 1м2 профлиста будет равно 4-8 штукам. Конечно, в каждом случае, этот параметр индивидуален и прежде, чем приобрести все комплектующие и материалы, рекомендуется сделать план расположения листов на кровле и рассчитать количество крепежных элементов.
Расчет саморезов для крепления профнастила
Сделать самостоятельно расчет саморезов для профнастила не так и сложно. Достаточно посчитать необходимое количество целых листов на всю крышу или на отдельные скаты. Для этого достаточно высчитать площадь кровли, то есть измерить ее длину, ширину и перемножить значения, а затем разделить на площадь профлиста, которая также вычисляется умножением сторон, читайте также: размеры профнастила. Следующее, что необходимо сделать – это произвести расчет количества саморезов либо заклепок на 1 лист. Исходить стоит из таких параметров, как количество шурупов для крепления верхнего, нижнего края и центральной части. В качестве примера можно взять лист длиной в 8 м и стандартной шириной 110 см. То есть в этом случае производится укладка 1 ряда профнастила. Для верхнего и нижнего края понадобится по 5 саморезов, которые будут вкручены в каждую волну, а также 8 саморезов для центральной части, с шагом крепления к обрешетке в 50 см. Это значит, что потребуется приблизительно 18 саморезов на лист профнастила с данными размерами. Чтобы понять, сколько всего необходимо крепежных элементов, достаточно умножить получившиеся количество на число требуемых листов.
Также можно взять усредненное значение, при котором в расчет принимается рекомендуемое производителем количество саморезов на 1м2 кровли – 4-8 шт. То есть зная полную площадь, достаточно перемножить значения. Конечно, в каждом случае расчет может отличаться. Например, при уклоне кровли из профнастила более 30 градусов, рекомендуется уменьшать шаг крепления, то есть увеличится и расход саморезов. Также увеличенное количество крепежей понадобится в случае высоких ветровых и снеговых нагрузках. Кроме того, больше шурупов потребуется для торцевой части крыши и, если торцов много, то и расход фиксирующих элементов будет повышенным. Важно иметь в виду, что, какая бы цифра не получилась в результате расчетов, следует добавить к итогу 5-10% запас крепежей. Такой запас может потребоваться как в случае обнаружения некачественных саморезов, так и при необходимости добавить крепежи в определенных местах для максимально надежной фиксации. Не стоит забывать и про крепление доборных элементов, для этого понадобиться 3-5 саморезов на погонный метр.
Стоит иметь в виду, что при покупке метизов совсем не обязательно высчитывать поштучно саморезы. Ведь известен точный вес изделий с различными параметрами. Например, кровельный саморез диаметром 48 мм и длиной 2,5 см будет весить 3,5 кг/1000 шт, а изделия с параметрами 6,3х152 мм за 1000 штук будут иметь вес 45 кг. Поэтому производителям довольно легко расфасовать саморезы, зная их массу, в упаковки от 100 до 6000 штук, читайте также: размеры саморезов для профнастила.
Видео по теме:
Подводя итог вопросу сколько саморезов на 1м2 профлиста, можно сказать, что цифра не будет постоянной и применимой для всех случаев. Исходить при расчетах можно как из усредненных рекомендаций производителей профнастила, так и из индивидуальных подсчетов для конкретного строения, произвести которые можно самостоятельно, обратившись к специалистам либо при помощи специализированного онлайн-калькулятора.
Посмотрите еще статьи:
Какой расход саморезов на профнастил на 1м2 на 1 лист
Профнастил – это популярный материал, который применяется в строительных и отделочных работах. Он широко востребован благодаря прочности, долговечности и лёгкости монтажа. Для крепления профнастила необходимы качественные и прочные саморезы. Обычно их закупают предварительно, поэтому важно заранее знать точное количество, чтобы они внезапно не закончились в самый разгар работы. Здесь вы узнаете, какие расчеты нужно произвести, чтобы получить точную цифру, и от каких параметров зависит количество саморезов.
Сфера применения
Такой прочный и универсальный материал, как профлист, применяется в различных целях. Из него делают заборы, кровельное покрытие, отделку фасада, гаражи и сараи. В каждом из этих вариантов требуется определённое число крепежей.

Крепление профнастила на крышу
Расчёт необходимого количества крепежных элементов основывается на механизме монтажа крыши из профнастила. Начинается он с карнизного свеса, где укладывается первый лист: слева у нижнего края. Второй лист ложится с нахлёстом и формирует с первым единую волну. Когда листы тщательно выровнены относительно края карниза, они крепятся к нижнему брусу обрешётки, а на участке нахлёста соединяются заклёпками.
Далее осуществляется монтаж левого профлиста во втором ряду в единую волну с первым. В том участке, где верхний лист перекрывает нижний, они оба крепятся к обрешётке. В промежутках необходимо закрепить каждый лист через 1-2 волны в соответствии с шахматным порядком. Важно следить, чтобы расстояние между крепежами не превышало 500 мм.
Именно по такой схеме и нужно рассчитывать необходимое количество кровельных саморезов. Учитываются такие параметры, как длина и ширина одного листа, а также шаг крепления к обрешётке. Например, если длина используемого листа составляет 8 м, а ширина – 1,1 м, то при шаге крепления в 500 мм потребуется 10 крепежей для фиксации листа на верхнем и нижнем участках, а на среднем участке – 8 крепежей. Всего получается 18 штук на 1 лист профнастила.
Далее нужно посчитать, сколько всего листов будет покрывать кровлю и умножить эту цифру на 18. Количество листов профнастила определяется на основе габаритов кровли, её общей площади.
Цифра зависит не только от площади кровли, но и угла её наклона. Чем он больше, тем меньше должен быть шаг крепления, а это соответственно увеличивает расход крепежных элементов. Ещё один фактор, который увеличивает количество саморезов, – это участок крепления. На месте стыков, фронтонных свесов и торцах скатной кровли нужно больше саморезов, ведь на этих «опасных» участках вероятность протечек повышается.
Чтобы узнать, сколько листов профнастила понадобится для покрытия всей кровли, требуется составить подробный чертёж. Чем сложнее форма кровли, тем труднее рассчитать число материала и крепежа.
Вальмовые и мансардные кровли состоят из таких форм, как треугольники и трапеции. Нужно подробно разложить эти фигуры на чертеже, учитывая все свесы и нахлёсты. Так и рассчитывается общая площадь.

Возведение забора из профнастила
Основной фактор, который определяет необходимое количество саморезов для профнастила, – количество лаг, то есть горизонтальных перемычек, к которым крепятся листы. Их может быть или 2, или 3. Каждый лист закрепляется к одной перемычке 3 саморезами. Следовательно, для двух перемычек нужно 6 крепежей, а для 3 – 9.
Как и при монтаже кровли листы профнастила, формируя забор, устанавливаются в нахлёст, то есть верхний слегка перекрывает нижний. Места нахлёстов закрепляются к перемычкам саморезами, а между ними, посередине, тоже нужен крепёж.
На конечную цифру влияют и климатические условия. Если забор возводится в регионе, для которого характерны частые и сильные порывы ветра, то количество саморезов увеличивается вплоть до крепежа каждой волны.
Однако это крайний случай. Основная же формула для расчёта такая: количество горизонтальных перемычек умножается на три, а затем умножается на используемое количество листов.
Отделка фасадов профнастилом
Профлист часто используется для украшения фасадов частных домов, магазинов и прочих зданий. Листы крепятся к каркасу поочерёдно, в нахлёст. Крепления устанавливаются на участках перекрытий и между ними. Примерное расстояние между ними составляет от 0,5 м до 1 м в зависимости от эксплуатации здания и климатических условий.
Как и в случае с забором, каркас для отделки фасада состоит из двух или трёх горизонтальных перемычек, и закреплять профлисты нужно к каждой из них. Формула здесь тоже похожа на предыдущий случай: количество листов умножается на число перемычек и на число саморезов на каждую перемычку. Так можно узнать финальное количество саморезов, используемых на весь фасад.
Расчёт саморезов по весу
Саморезы – это небольшие крепёжные элементы, которые удобнее покупать не по количеству, а по общему весу. Важно помнить, что тысяча кровельных саморезов длиной 25 мм и диаметром 4,8 мм весит 3,5 кг. Если же предпочитаются крепежи длиной 152 мм и диаметром 6,3 мм, то вес одной тысячи составляет 4,5 кг. Выбор длины и диаметра основывается на тех участках, которые нужно закрепить. Для фиксации профлиста к деревянной обрешётке годятся крепежи длиной от 35 мм. Если закрепляется участок, где один лист перекрывает другой, нужны крепежи длиной 20 мм. Для монтажа доборных элементов, включая коньковые части, требуются саморезы длиной от 70 мм.
Мелкие саморезы расфасованы в упаковки по разному количеству: 100 или 200, 1000 или 2000 штук.
Заключение
Предварительные расчёты дают приблизительную цифру, которая может незначительно измениться в сторону увеличения при выполнении работы. К этому нужно подготовиться, закупая крепежи на 10-15% больше полученной цифры.
Даже если в вычислении точного количества закрадётся ошибка, это не большая проблема: всегда есть возможность или сбегать в магазин строительных материалов, или заказать саморезы онлайн в «ЛЭКС-Холдинг» с быстрой доставкой.
Количество саморезов на 1м2 профлиста
саморезы для профнастилаКогда нам необходимо произвести расчет количества саморезов для выполнения работ по креплению профнастила, стоит обратить внимания, для чего вообще они будут нами использоваться.
Укладка может осуществляться на крышу, для отделки фасада здания, для монтажа на заборе и другие разнообразные варианты. И количество саморезов в том или ином случае будет различное.
На расход саморезов будут оказывать влияние и внешние факторы, погодные условия. Тем они жестче и агрессивнее, тем большее количество крепежа будет нами использовано в процессе работы. Более сложным процессом будет определение того, сколько саморезов придется потратить на крепление профлиста на крыше.

↑ вернуться к содержанию
Расход саморезов для забора
При расчете количества крепежа для фиксации профлиста забора, стоит обратить внимание на то, сколько лаг у нас имеется. На каждую лагу в обычном режиме для крепления профлиста используется 3 самореза. Если у нас будет три лаги, то придется потратить 9 саморезов.
В обязательном порядке должно осуществляться крепления листов в тех местах, где происходит стык, нахлест волн. Но также в зависимости от погодных условий может осуществляться ввинчивание крепежа даже в каждую волну. Общее количество рассчитывается по следующей формуле:
N=3*L*P.
Здесь L – количество лаг на заборе, а Р – количество листов. Тут будет более проблематично рассчитать то, сколько саморезов нам придется купить для выполнения всего объема работ. Но все же можно. Достаточно рассчитать площадь листа и на это количество разделить количество. Так, например, при площади листа 3.0 метра и используемых трех лагах забора, нам понадобиться примерно 3 крепежных элемента на каждый квадратный метр.
↑ вернуться к содержанию
Расход саморезов для кровли
Профнастил начинает монтироваться со стороны карнизного ряда. Нахлест осуществляется на одну волну. В тех местах, где осуществляется нахлест профлиста можно использовать заклепки. Но все зависит от внешних факторов. Первые листы профлиста должны фиксироваться на кровлю для надежности в каждую волну, а вот промежуточные листы – достаточно будет и крепежа через волну.
По данной технологии можно будет рассчитывать и то, сколько саморезов нам понадобится для полноценной работы. Чтобы рассчитать количество на каждый 1м2, для начала мы проведем расчет всего количества. Если перед нами лист с длиной в 8.0 метров, шириной 1.1 метра и крепление к обрешетке осуществляется с шагом в 50 см, то все выглядит следующим образом: по 5 саморезов в верхней и нижней части, а также 4 штуки в два ряда в средней части. Итого мы получаем 18 саморезов на каждый профлист.
Из этого уже можно рассчитать количество саморезов на каждый м2 кровельного материала. Мы получаем, что нам понадобиться 2 самореза. Из этого можно уже высчитать и все количество крепежа для нашей кровли.
Но тут стоит учитывать еще и тот фактор, что по нижнему краю листа профилированного лучше всего выбрать по саморезу в каждую волну и немного увеличить шаг крепления к обрешетке. Это придаст всей конструкции надежности. Кроме этого профлист должен крепиться к каждому бруску обрешетки в местах свеса фронтов. На стыках кровельного покрытия также стоит уделить внимание креплению. Все это повышает расход крепежа на каждый квадратный метр.
Если угол наклона кровли увеличивается, то тогда количество саморезов будет также расти. Некоторые производители крепежных элементов дают следующий совет: крепеж дополнительно стоит прикручивать, в том числе и по продольному стыку каждого листа.
↑ вернуться к содержанию
Количество саморезов на фасадах
При фиксации профлиста на фасад здания осуществляется крепление на специально созданный каркас и через каждую волну. Не стоит забывать также и про нахлесты, так как там ввинчивание крепежа должно быть в обязательном порядке. При использовании двухметрового листа придется укреплять его в три ряда саморезами. И тут главное придерживаться определенной последовательности: через каждую волну и в шахматном порядке.
Если речь идет о разнообразных постройках, например, возведение гаража или ангара, то тут уже необходимо ввинчивать крепеж в каждую волну.
Можно и рассчитать количество саморезов для крепления профлистов на фасаде здания определенной площади. На каждый лист при шаге обрешетки в 50 см нам потребуется по 2 самореза по нижнему краю и 2 самореза по верхнему краю. Кроме этого придется взять и 2 самореза в центральной части, Таким образом, мы получаем, что на каждый лист профнастила длиной 2 метра и шириной 1 м придется купить по 6 саморезов. Из этого вытекает, что на каждый метр квадратный стены здания уйдет по 3 самореза. Но это лишь минимальное значение.
↑ вернуться к содержанию
Способы расчета саморезов на 1м2

К каждому минимальному значению количества саморезов стоит добавить повышение уровня надежности. Сюда уйдет порядка 1-2 саморезов на каждый метр квадратный конструкции, а также и определенный запас – также порядка 1-2 саморезов. Запас уйдет на некачественную продукцию крепежных элементов, утери в процессе работы, повреждение и прочие моменты. Из этого вытекает, что каждый метр квадратный профлиста потребует от нас прикупить порядка 6-7 саморезов. В это количество также входит и крепление различных дополнительных элементов (элементы примыкания, карнизы и ветровые планки, фартуки, которые делаются около дымоходов и вентиляционных отверстий, прочие моменты).
При покупке саморезов нам не надо считать их количество, так как для кровли большой площади, для расчета придется потратить приличное время. В этом случае есть установленные стандарты веса каждого крепежа определенного размера и параметров. То есть нам достаточно купить саморезов просчитанного веса.
Есть и еще один способ, который применяется для расчета необходимого количества крепежа на каждый метр квадратный. Нам достаточно взять схему раскладки профлиста. В случае листа с длиной 12 метров и шириной 1 метр мы должны знать, что он должен фиксироваться каждой волной на крайние опоры и к промежуточным, через одну волну. Сюда также стоит отнести некоторое количество брака продукции, нижние саморезы, крайние метизы. В итоге мы получим 6-8 крепежей на 1м2.
Существует определенная норма, которая установлена для расхода саморезов на каждый метр квадратный кровли, стены, забора и строений. Но все же ее не стоит придерживаться по причине того, что некоторые особенности оказывают влияние в сторону увеличения количества крепежа. То есть норма – это минимальный порог, и к нему стоит прибавлять еще. Из-за брака стоит увеличить свою покупку даже на 10%. В брак входит низкое качество самой продукции, слом самореза, его утеря, другие непредвиденные расходы.
Сколько саморезов требуется на 1м2 профлиста для кровли?
При расчете количества необходимых деталей нужно обязательно учитывать воздействие внешней среды и атмосферных явлений. Чем они опасней, тем больше потребуется саморезов для монтажа крыши. А также нужно принять во внимание толщину и размеры деталей с целью подстраховки появления дефектов в работе. Тяжелее всего рассчитать, сколько деталей будет нужно на 1м2 . Далее приведены несколько способов расчета, которые помогут ответить на данный вопрос.
1 способ
В основном на 1м2 профлиста требуется от восьми до девяти саморезов. Руководствуясь этими данными с легкостью можно сосчитать, сколько необходимо деталей для установки всей кровли.
Берем длину одного листа материала и вычитаем поперечный нахлест, который составляет от 15 до 20 см. Получившуюся величину необходимо умножить на полезную ширину листа. Таким образом, получим рабочую площадь одного листа материала. Затем умножаем полученную цифру на 9 и в результате получается примерное число нужных нам саморезов для кровли на 1м2.

Из приведенных выше расчетов считаем общее количество деталей, необходимых для монтажа всей крыши. В этих вычисления уже приняты во внимания те саморезы, которые потребуются на установку карнизов, дымоходов, систем вентиляции и других важных элементов.
2 способ
Необходимо взять план монтажа профлиста. К примеру, материал: по ширине – 100 см, в длину – 1 220 см. Требуется весьма ответственно подходить к выяснению размеров материала, с целью предупреждения ошибок. Монтируют каждую крайнюю волну, а промежуточные – через волну. Меж собой профлисты крепятся саморезами через 25, 50 и 100 см. Требуется умножить все профлисты, учитывая края и возможную порчу материала. Считаем саморезы, которые будут находиться снизу. В результате получается около 6-9 шт. на 1м2.

3 способ
Надо к самому минимальному значению саморезов прибавить коэффициент надежности (одна-две детали), а также запас (одна-две детали). В запас идет бракованные изделия, потеря в работе и другое. В итоге получаем, что на 1м2 материала потребуется примерно 6-8 саморезов.
Советы при выборе крепежных элементов
При покупке саморезов не нужно считать каждую штучку, потому как каждая деталь обладает собственным весом. Существует линейка размеров, в которой указан вес самореза. К примеру, 1000 шт. деталей диаметром 4,8 мм и длиной 25 мм весит три с половиной килограмма, когда 1000 деталей диаметром 6,3 мм и длиной 152 мм: 45 килограмм. Из-за этого производители фасуют маленькие саморезы для крыши в упаковки по сто, двести, двести пятьдесят, пятьсот, тысяча, две тысячи и шесть тысяч шт., а самое большое число деталей огромных саморезов составляет тысячу штук.
Выбирать саморезы и необходимое их число нужно таким образом, чтобы в длину резьба винтовой части была больше длины соединительного пакета не менее чем на три миллиметра.
В том случае если саморезы куплены высокого качества, то их монтаж, возможно, производить без предварительного проделывания отверстий.

Есть еще один вариант определения количества необходимого материала: можно отталкиваться от рекомендаций фирмы производителя. На каждом строительном материале прописаны нормативы крепежа. Именно они и определяют, сколько саморезов потребуется 1м2 профлиста для кровли. Если нарушить рекомендуемое количество деталей, то предъявить претензии при образовании различного рода дефектов и повреждений будет невозможно.
В силу этого стоит внимательно изучать упаковки строительных материалов и следовать предлагаемыми производителями значениями. У многих поставщиков налажен процесс производства таким образом, что и они сами занимаются выпуском крепежа. Из-за этого разумным вариантом будет покупка целого комплекта: профлиста, крепежных деталей и дополнительных элементов.
Существуют установленные нормативы расхода крепежных элементов на различные виды материалов. Но это не значит, что нужно четко им следовать, так как норма – это минимум. Поэтому лучший вариант – купить побольше, как говорится «про запас», мало ли где сломается, потеряется либо обнаружиться брак.
Исходя из вышеизложенных способов определения количества саморезов для работы, можно сделать вывод: средний расход саморезов на 1м2 составляет 6-9 штук.
Данное значение может изменяться в зависимости от различных факторов. Например, если кровля устанавливается с пологим скатом. С увеличением угла наклона растет вероятность угрозы ветров, поэтому требуется увеличить количество крепежных элементов.
Посмотрите это видео, из которого вы узнаете сколько саморезов требуется на 1м2 профлиста для кровли.
Самонарезающие винты из нержавеющей стали— Купить самонарезающие винты из нержавеющей стали онлайн в Индии по лучшей цене
Самонарезающие винты SS — покупайте самонарезающие винты SS онлайн в Индии по лучшей цене
(1-60 товаров из 485)
Нет в наличии
Нет в наличии

Нет в наличии

Нет в наличии

Нет в наличии

Нет в наличии

Нет в наличии

Нет в наличии

Нет в наличии

Нет в наличии

Нет в наличии

Нет в наличии

Нет в наличии

Нет в наличии

Нет в наличии

Нет в наличии

Нет в наличии

Нет в наличии

Нет в наличии

Нет в наличии

Нет в наличии

Нет в наличии

Нет в наличии
,Потребление | Табак Атлас
Сейчас в Китае выкуривают больше сигарет, чем во всех других странах с не очень высоким ИЧР вместе взятых.
Около 5,7 триллиона (5 700 000 000 000) сигарет в мире выкурили в 2016 году. Хотя общее потребление несколько снизилось за последние несколько лет, дальнейший путь глобальной борьбы против табака все еще остается неопределенным. Несмотря на риторическую приверженность некоторых представителей табачной индустрии миру, свободному от табачного дыма, все крупные табачные компании продолжают агрессивно рекламировать сигареты и активно бороться с усилиями по борьбе против табака во всем мире.Значительное снижение показателей курения в Соединенном Королевстве, Австралии, Бразилии и других странах, которые внедрили самые передовые законы по борьбе против табака во всем мире, почти полностью компенсируется ростом потребления во многих странах с более слабыми правилами борьбы против табака.
Согласно прогнозам, потребление сигарет вырастет во многих странах с низким и средним ИЧР в связи с динамичным экономическим развитием и продолжающимся ростом населения. Например, число курильщиков табака увеличится на 24 миллиона в Индонезии и на 7 миллионов в Нигерии с 2015 по 2025 год.Китай, жители которого выкуривают более 40% всех сигарет в мире, остается проблемой. Хотя употребление сигарет в Китае начало снижаться, половина взрослых китайских мужчин продолжают курить. Без соответствующей политики профилактики в этом столетии мир потеряет миллиард жизней из-за курения табака.
Несмотря на то, что потребление сигарет в Китае в последние годы начало снижаться, страна по-прежнему потребляет две из каждых пяти сигарет в мире.
Еще одна проблема — борьба с курением сигарет среди определенных подгрупп населения внутри стран. Потребление сигарет связано с более низким социально-экономическим статусом даже в странах с низким и средним ИЧР. К другим уязвимым группам населения с высокой распространенностью курения относятся люди из определенных расовых / этнических групп, психически больные (см. Сопутствующие заболевания) и, в некоторых странах, представители сообщества ЛГБТ. Это неравенство в курении табака можно уменьшить с помощью целевых мер борьбы против табака.Например, доходы от увеличения налогов на сигареты могут быть направлены на финансирование программ профилактики табака и отказа от курения для уязвимых групп.
Строгий мониторинг употребления табака имеет решающее значение для реализации эффективных стратегий борьбы против табака. Хотя многие страны добиваются значительных успехов в изучении показателей курения сигарет, оценки количества выкуриваемых сигарет обычно отсутствуют. Часто единственные доступные оценки потребления сигарет поступают от компаний по исследованию рынка, которые отслеживают продажи сигарет.Усилия Соединенного Королевства по оценке потребления сигарет являются исключительными: ежегодные оценки потребления сигарет Службой доходов и таможни Ее Величества не только предоставляют ценную информацию о тенденциях табачной эпидемии в Великобритании, но также являются частью более широких усилий правительства по пониманию масштабов проблемы незаконной торговли сигаретами в стране (см. Незаконная торговля). Большему количеству округов следует попытаться следовать передовой практике Великобритании.
«Рынок конкурирует из-за зависимости — побеждают самые вызывающие привыкание продукты.С помощью исследования они [фирмы], как и производители сигарет, могут выяснить, какие из их ингредиентов наиболее эффективны для увеличения продаж / увеличения зависимости. […] Они не желают отказываться от этих возможностей получения прибыли, какой бы ущерб ни был для общества ».
— Джозеф Э. Стиглиц, лауреат Нобелевской премии по экономическим наукам, 2008 г.
,
Самонарезающие винты, Промышленный винт, Винт для гвоздя, पेचकस в Горегаон Восток, Мумбаи, Cisco Industries
Самонарезающие винты, Промышленные винты, Винты с гвоздями, पेचकस в Горегаон Восток, Мумбаи, Cisco Industries | ID: 2563222412Описание продукта
Мы специализируемся на производстве всех типов саморезов.У нас доступен гигантский ассортимент саморезов.
Заинтересовал этот товар? Получите последнюю цену у продавца
Связаться с продавцом
Изображение продукта
О компании
Год основания 1987
Юридический статус фирмы Партнерство
Характер бизнеса Производитель
Количество сотрудников До 10 человек
Годовой оборот Rs.50 лакх — 1 крор
Участник IndiaMART с августа 2006 г.
GST27AAEFC2349A1ZY
Он производит все типы прецизионных заклепок, крепежных винтов, крепежных винтов с крестообразным шлицем, винтов для листового металла или в соответствии с чертежами и спецификациями клиентов, которые мы специализируемся на самонарезающих винтах, шлицевых и филипповых головках, винтах для ДСП, винтах с невыпадающей шайбой. Вернуться к началу 1 Есть потребность?
Получите лучшую цену
Есть потребность?
Получите лучшую цену

Добавить комментарий